
Produktbeskrivelse
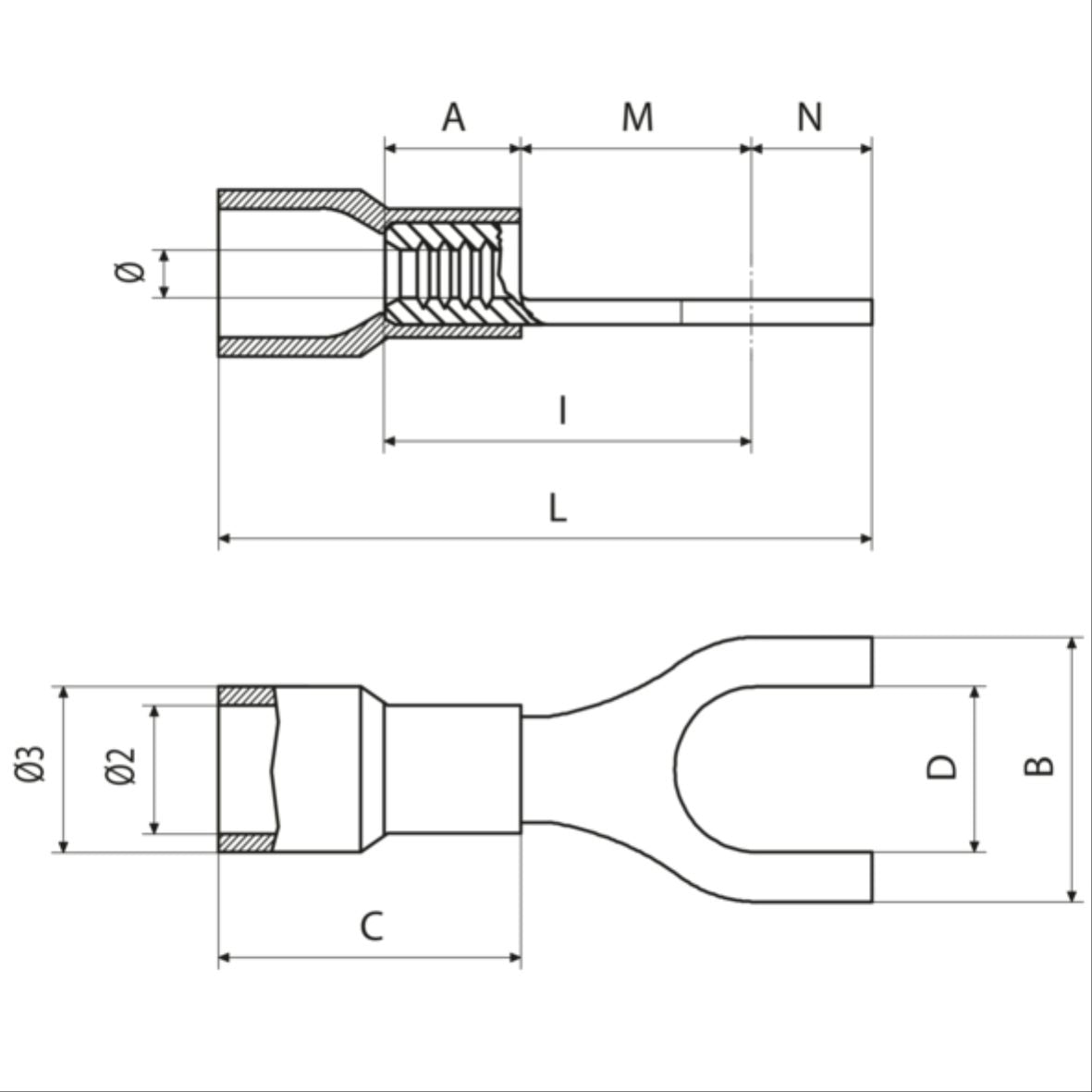
ANE2-U4 er en for-kabelsko (pre-isoleret gafelformet terminal) fra Cembre beregnet for fleksible kobberledere. Produktet har en PA6.6 isoleringshylster og er fremstillet af elektrolytisk kobber med tinbelægning. ANE2-U4 er specificeret for en ledertværsnit på 10 mm² og anvender skrue-/stangdiameter M4 med en gafeldiameter (D) på 4,3 mm.Funktion og anvendelse
ANE2-U4 bruges som elektrisk forbindelse mellem en fleksibel kobberleder og en skrue-/stangforbindelse, hvor gafelformen muliggør montering omkring en bolt eller skrue uden at fjerne hætten. Installationsvejledningen fra producenten angiver de relevante trin for korrekt tilslutning: valg af korrekt connector i forhold til kobberlederen, passende værktøj og die, afisolering af lederen til den anførte længde, fuld indsættelse af lederen i terminalen og en enkelt centralt placeret crimpingoperation.- Materiale: elektrolytisk kobber, tinplade
- Isolering: Polyamid PA6.6 (sort hylster)
- Forbindelsestype: gafelformet (fork/spade) terminal
Dokumentation
Se datablad fra producentenSpecifikationer
- Produkt: ANE2-U4
- Producent: Cembre
- Lederstørrelse: 10 mm²
- Skrue/stangdiameter: M4
- Gafeldiameter (D): 4,3 mm
- Materiale: elektrolytisk kobber, tinplade
- Isoleringsmateriale: Polyamide PA6.6, farve sort
- Driftstemperatur: -20 °C til +115 °C (kortvarig stigning op til +130 °C)
- Standard emballagenhed: 500 stk.
- Anbefalet afisoleringslængde: 12 mm (ifølge producentens tabel for ANE2)
- Anbefalet crimp-die: NN4-15 (angivet i producentens værktøjstabel for ANE2)
Indholdet er genereret ved hjælp af AI – vi tager forbehold for fejl.
Kontakt HIN for yderligere information om produktet.